| Poglej prejšnjo temo :: Poglej naslednjo temo |
| Avtor |
Sporočilo |
svoperokram

Pridružen/-a: Čet Jan 2011 11:29 Prispevkov: 12 Kraj: LJ
|
Objavljeno: Pon Avg 18, 2014 21:34 Naslov sporočila: integriran ojačevalec - končna stopnja |
|
|
MARANTZ PM 7200 bi rab uporabil kot končno stopnjo za BRAUN R4 receiver, ker se le ta zelo segreva - napaka zasnove. Povezal bi PRE OUT iz BRAUN-a na PROCESSOR IN na MARANTZU (nima POWER IN). Bo šel signal s takšno povezavo na MARANTZ-U za predojačevalcem direktno na končno stopnjo, ali ga bom s tem še enkrat spustil preko predojačevalca MARANTZA? Se bo BRAUN kaj manj segreval če signal ne bo šel čez njegovo končno stopnjo?
Marantz bi bil skrit v omari, BRAUN pa v družbi pripadajočega CD-ja in gramofona na ogled.....
hvala M |
|
| Nazaj na vrh |
|
 |
ro-bi
Pridružen/-a: Sob Maj 2009 1:55 Prispevkov: 238 Kraj: črna
|
Objavljeno: Pon Avg 18, 2014 22:27 Naslov sporočila: |
|
|
| Braun se verjetno segreva zaradi visokega mirovnega toka in bo skoraj enako brez signala. |
|
| Nazaj na vrh |
|
 |
jože
Pridružen/-a: Sre Dec 2009 18:30 Prispevkov: 321 Kraj: Jesenice
|
Objavljeno: Tor Avg 19, 2014 12:22 Naslov sporočila: Re: integriran ojačevalec - končna stopnja |
|
|
| svoperokram je napisal/a: | MARANTZ PM 7200 bi rab uporabil kot končno stopnjo za BRAUN R4 receiver, ker se le ta zelo segreva - napaka zasnove. Povezal bi PRE OUT iz BRAUN-a na PROCESSOR IN na MARANTZU (nima POWER IN). Bo šel signal s takšno povezavo na MARANTZ-U za predojačevalcem direktno na končno stopnjo, ali ga bom s tem še enkrat spustil preko predojačevalca MARANTZA? Se bo BRAUN kaj manj segreval če signal ne bo šel čez njegovo končno stopnjo?
Marantz bi bil skrit v omari, BRAUN pa v družbi pripadajočega CD-ja in gramofona na ogled.....
hvala M |
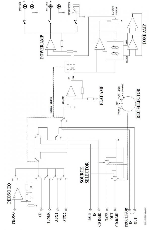
Marantz 7200 nima bypasa za končno stopnjo, tako da bi v primeru priklopa moral nastaviti potencimeter za glasnost na neko vrednost, ki bi bila primerna za Brauna. Pri tem bi lahko uporabil možnost sorce direct zato, da izklopiš tonske kontrole. Če bi Marantza uporabljal tudi kot samostojen stereo ojačevalec, bi bilo nekoliko nepraktično vedno znova vračat poti za glasnost na isto mesto, kadar bi poslušal preko Brauna.
Še blok-shema Marantza 7200
 |
|
| Nazaj na vrh |
|
 |
svoperokram

Pridružen/-a: Čet Jan 2011 11:29 Prispevkov: 12 Kraj: LJ
|
Objavljeno: Čet Avg 21, 2014 20:24 Naslov sporočila: |
|
|
| hvala |
|
| Nazaj na vrh |
|
 |
sg
Pridružen/-a: Pon Maj 2013 10:39 Prispevkov: 73 Kraj: Lj
|
|
| Nazaj na vrh |
|
 |
|
|
Ne, ne moreš dodajati novih tem v tem forumu Ne, ne moreš odgovarjati na teme v tem forumu Ne, ne moreš urejati svojih prispevkov v tem forumu Ne, ne moreš brisati svojih prispevkov v tem forumu Ne ne moreš glasovati v anketi v tem forumu
|
Powered by phpBB © 2001, 2005 phpBB Group
|
|